冰河冷媒,光达化工
  • 网站千亿(中国)

  • 走进光达

  • 新闻资讯

  • 卓越产品

  • 售后服务

  • 科研创新

  • 人才招聘

  • 联系我们

技术咨询:18204235899 | 繁体中文
走进光达
公司简介
企业资质
企业荣誉
企业文化
 
企业相册
企业视频
光达化工介绍
光达化工介绍
新闻
公司动态
行业新闻
无闪点型
LM-4 系列冰河冷媒
LM-8 系列冰河冷媒
LM-8A冰河冷媒
无毒型
LM-4A 系列冰河冷媒
LM-3冰河冷媒
LM-4B冰河冷媒
宽温域型
LM-7冰河冷媒
LM-9 系列冰河冷媒
LM-11 系列冰河冷媒
超低温型
LM-1冰河冷媒
LM-1L冰河冷媒
LM-5冰河冷媒
LM-6 系列冰河冷媒
热油型
LM-15系列冰河冷媒
LM-16系列冰河冷媒
LM-17系列冰河冷媒
冰河氟化液
LM-14 系列冰河冷媒
缓蚀增效剂
LMT缓蚀阻垢剂
LMF冷媒防水剂
LMZ冷媒增效剂
LMH盐水专用缓蚀剂
相变蓄冷蓄热
LM-XR 冰河相变蓄热剂
LM-XL 冰河相变蓄冷剂
融雪剂型
冰河环境友好型融雪剂LMR-1
冰河环境友好型融雪剂LMR-2
冰河环境友好型融雪剂LMR-3
冰河防冻液
科研创新
科研创新
科研
科研中心
科研团队
专利证书
创新
创新战略
产学研用
光达 tn_menu 电话
返回千亿(中国) > 光达千亿(中国) > 企业资质

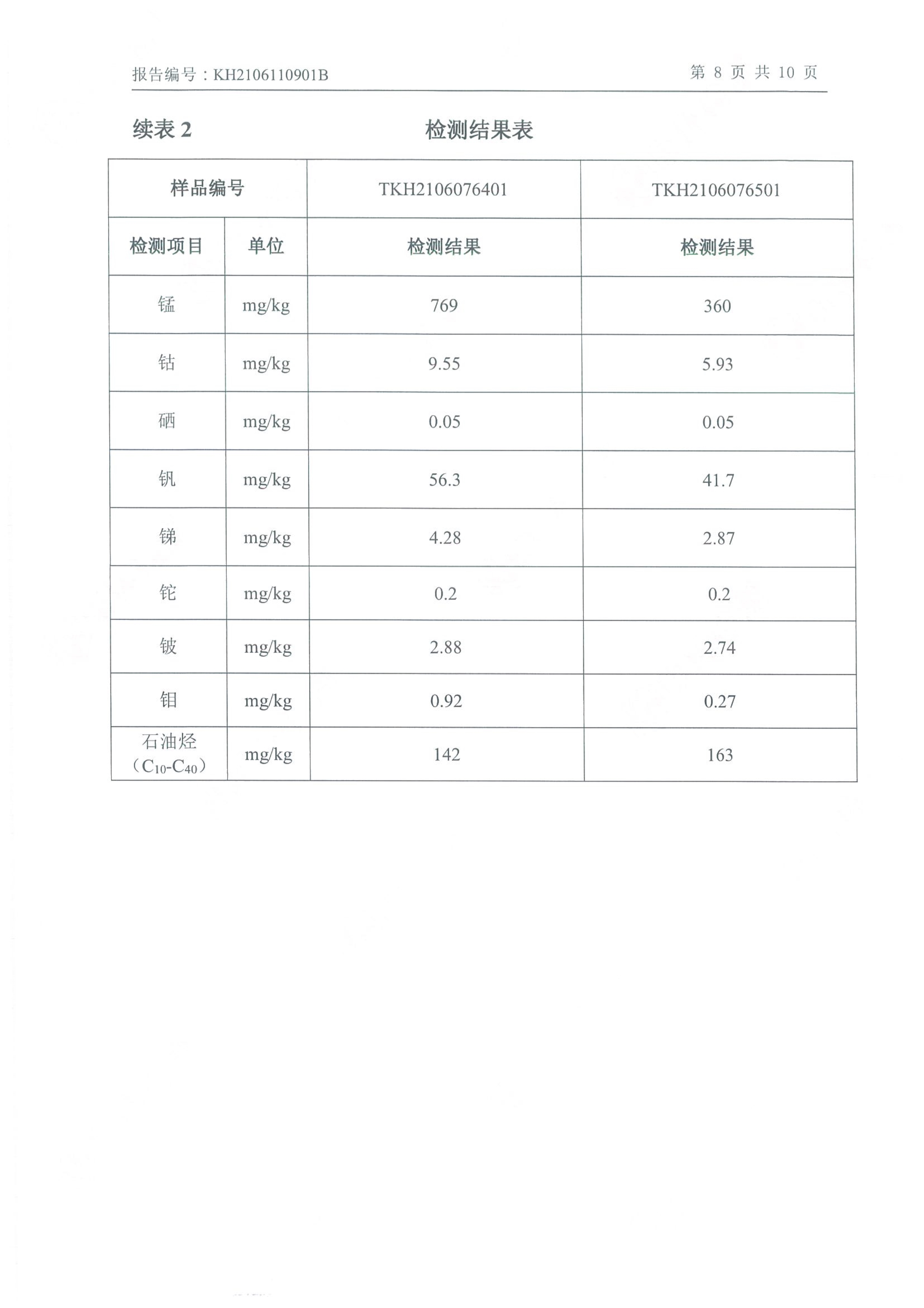
千亿球友会土壤检测报告公示

2021-08-18

千亿球友会年产2000吨锂电池电解液生产线异地检测报告

千亿球友会年产2000吨锂电池电解液生产线异地检测报告

千亿球友会年产2000吨锂电池电解液生产线异地检测报告

千亿球友会年产2000吨锂电池电解液生产线异地检测报告

千亿球友会年产2000吨锂电池电解液生产线异地检测报告

千亿球友会年产2000吨锂电池电解液生产线异地检测报告

千亿球友会年产2000吨锂电池电解液生产线异地检测报告

千亿球友会年产2000吨锂电池电解液生产线异地检测报告

千亿球友会年产2000吨锂电池电解液生产线异地检测报告

千亿球友会年产2000吨锂电池电解液生产线异地检测报告

千亿球友会年产2000吨锂电池电解液生产线异地检测报告

上一篇:光达化工环境空气、噪声、地下水监测数据检测报告公示

下一篇:最后一页

相关资讯
  • 光达化工环境空气、噪声、地下水监测数据检测报告公示
  • 千亿球友会土壤检测报告公示
  • 千亿球友会西厂区土壤检测报告公示
  • 千亿球友会老厂区土壤检测报告公示
  • 地下水检验报告
  • 土壤检验报告
  • 营业执照
  • 安全生产许可证
    冰河冷媒系列
  • 高低温双向型
  • 冷库专用型
  • 冰河氟化液
  • 缓蚀增效剂
  • 汽车制造型
    冰河冷媒系列
  • 宽温域型
  • 超低温型
  • 融雪剂型
  • 无闪点型
  • 无毒型
    服务沟通
  • 售后服务
  • 科研创新
  • 人才招募
    资讯中心
  • 公司动态
  • 行业新闻
  • 企业相册
  • 企业视频
    关于我们
  • 公司简介
  • 企业文化
  • 企业资质
  • 企业荣誉
  • 客户服务热线
  • 18204235899
  • 技术咨询
  • 0421-7228333
  • 传真
  • 0421-7228322
千亿球友会 版权所有©2022  辽ICP备17000631号-1
Copyright ©2022 光达化工 All Rights Reserved
关闭
  • 千亿(中国)
  • 走进光达
    • 公司简介
    • 企业资质
    • 企业荣誉
    • 企业文化
    • 企业相册
    • 企业视频
  • 新闻资讯
  • 卓越产品
    • 无闪点型
    • 无毒型
    • 宽温域型
    • 超低温型
    • 高低温双向型
    • 冷库专用型
    • 冰河氟化液
    • 缓蚀增效剂
    • 融雪剂型
    • 汽车制造型
  • 售后服务
  • 科研创新
  • 人才招聘
  • 联系方式
华球平台网页 | 江南注册网页版 | ky体育 | 开云网页版登录入口 | 华体会体育(中国)hth官方网站 | 亚新注册 | 亚新注册网站中国有限公司 | 华球体育官方网站 | 球赛下注官方网站 |